- Opis
 -     
Detalji
Ručkice za namještaj nisu samo korisni dio namještaja, one su također modni dodatak koji daje namještaju poseban karakter i osobnu notu.
Obrada MCrE po vrsti je eloksirana obrada - prirodni aluminij.
 - Oznake Proizvoda
 - Recenzije
 - 
Napišite Vašu Recenziju
 - Dodatne informacije
 -     
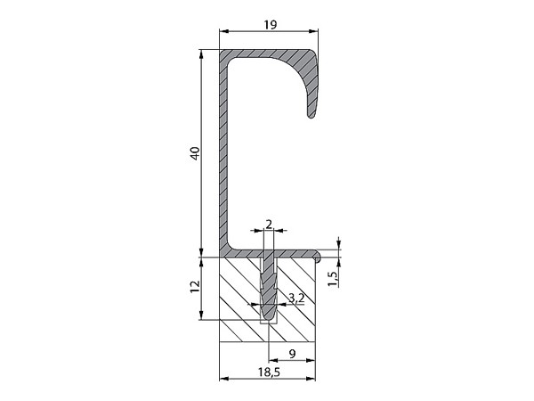
Dodatne informacije
Materijal Metal Razmak rupa Usadna Obrada-Boja MCrE Dimenzije širina: 19 mm x visina: 40 mm x dužina: 2750 mm Promjer Nedostupno Jedinica mjere kom Proizvođač Rujz design  
                
    
